作为我国能源化工行业热能工程和特种泵阀等关键设备供应商,北京航天石化技术装备工程有限公司(简称航天石化)以液体火箭发动机燃烧、传热、控制等专业技术为依托,研制了适用于太阳能光热电站的导热油炉,能够用于电站启动、导热油系统和储热系统的防凝,以及极端天气下当储热量不满足发电要求时给系统提供热量。
航天石化热能工程(加热炉)事业部已成功为我国某大型光热发电项目供应了3台导热油炉,最大使用量可达到50MW,有力地支持了光热项目的开车及运行。
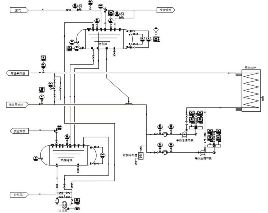
航天石化热能工程(加热炉)事业部的光热发电用导热油炉采用了创新的设计:
在设计方面考虑了高温、变流量及流阻要求等诸多苛刻要求,创造性的使用了炉外导热油换热器,有效的回收了热量,不仅达到了节能的要求,而且控制了助燃风温度,抑制了低氮氧的生成。
考虑到系统运行工况复杂,长期在变流量工况下运行,且不能超膜温及出口温度的要求,创造性的绘制了各个温度区间的温度与流量变化曲线,将曲线编辑在PLC程序中。PLC程序采用前馈、标准要求的能效计算公式、负荷计算公式及绘制温度及流量变化曲线等设置。
这些创新设计的应用效果已达到国际先进水平,获得了业主的认可和好评。

据介绍,热能工程(加热炉)事业部研制的导热油炉功能完善:①可实现装置的全自动运行;②能够精确控制导热油温度精度±1℃;③实现导热油炉系统的负荷连续自动调节;④实现导热油非正常工况的安全报警及联锁保护;⑤导热油炉效率高达92%以上;⑥采用自有航天超低氮燃烧技术,NOx排放低于30mg/Nm³。

图:导热油炉工作原理图
在构建以新能源为主体的新型电力系统背景下,随着风光新能源大基地的持续推进,光热发电以其独特的规模化储能优势正迎来快速发展,作为设备供应商,航天石化将持续精研,不断降本增效,助力光热发电行业。(作者:袁枫彦 梁兆慧)