图:项目鸟瞰图

图:项目现场

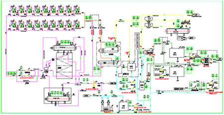
图:项目工艺方案图
据了解:该碟式太阳能+燃气锅炉清洁能源供热系统分为四个子系统:①碟式太阳能集热系统;②导热油传热系统;③蒸汽发生系统;④换热及供热系统。以上四个子系统的信号、执行及控制要求全部由PLC上位机总控制器完成;系统设置了2*200m³储水罐,全年集热量>12000GJ,能够满足全镇全天24小时供暖;当遇到连续2天以上阴雨无太阳天气,则系统自动启动燃气锅炉进行补充供热、供暖。
东方宏海技术负责人介绍:该项目运行后对减排节能意义重大,预计年节约标准煤约1000吨,减少CO2排放2649吨,减少SO2排放177吨,减少氮氧化物排放87吨。

其次,与同类产品相比,碟式太阳能聚光跟踪集热技术在占地面积,集热品质、热转化效率及经济性方面效果比较明显,是市场上非常具有推广潜力的技术。